当前位置:首页>石家庄>技术方案分享:攻坚克难!石家庄北二环东延钢箱梁施工全解析

技术方案分享:攻坚克难!石家庄北二环东延钢箱梁施工全解析

  • 2026-03-27 00:20:59
技术方案分享:攻坚克难!石家庄北二环东延钢箱梁施工全解析

北二环东延与国道 307 辅道连通工程,是完善石家庄东北部交通路网的关键项目。项目路线全长 0.732 公里,采用单向两车道标准建设,设计速度 60 公里 / 小时。其中第一联(29.6+30)m 单箱双室钢箱梁,以 336 吨的总重量、1.8m 的梁高,上跨北二环主路,施工难度极大。本文将结合专项施工方案,深度拆解这一联钢箱梁的现场施工全过程。

一、工程概况:上跨主干道的关键钢箱梁

本项目第一联钢箱梁采用 Q345qD 材质,顶板和底板标准段厚度 16mm,采用全焊接连接。箱梁需跨越北二环主路,且桥面横坡从起点 2.9% 渐变至终止端 - 1.5%,对制作和安装精度提出严苛要求。

项目施工场地受限明显,北侧紧邻石津总干渠(最近距离仅 20m),南侧为既有高架,周边堆土较多。同时,施工需面对交通流量大、无法长时间断交的现实难题,施工组织难度突出。

二、三大施工重难点,精准施策破难题

1.  场地狭小 + 交通繁忙,施工组织难度高

钢箱梁上跨东二环主路,吊车站位空间有限,且白天无法断交吊装。

应对措施:

  • 合理规划吊车站位区域,吊装时临时封闭北二环东延主路,将车辆导行至辅路。
  • 构件采用 “当天到场、当天安装” 模式,减少现场堆放时间。
  • 吊装、支架搭设等需断交的工序,全部安排在夜间车流人流低谷期进行。
  • 优化钢箱梁分段设计,采用组合门式支架作为临时支墩,减小对主路空间的占用率。

2.  结构精度要求高,毫米级管控是关键

钢箱梁采用厂内分段制作、现场整体架设模式,桥面横坡渐变设计,要求钢梁安装线型与支座对位精准无误。

应对措施:

  • 建立全桥监控测量体系,采用全站仪等精密设备辅助安装,在钢梁关键位置设置观测点并做好标记。
  • 厂内按隔板位置划分控制轴线,提前拟合道路中心及两侧标高数据,匹配横坡渐变需求。
  • 梁段就位后复核标高,对偏差节段采用千斤顶调节,确保线型符合设计要求。

3.  高空作业风险高,安全防护全方位

钢箱梁安装为高空作业,下方车流量大,存在吊机机械伤害、火花掉落、高空抛物等多重隐患。

应对措施:

  • 优先选择夜间施工,减少对下方车辆通行的影响。
  • 白天施工时,在跨主路焊接区域搭设施工平台,铺设防火布防止火花、螺栓掉落。
  • 每日开展安全晨会,强化作业人员安全培训与防护意识,落实个人防护装备佩戴要求。

三、核心施工工艺拆解:从支架搭建到箱梁卸载

(一)临时支撑体系:钢箱梁的 “临时骨架”

临时支撑是钢箱梁吊装就位的关键保障,本项目采用两种钢管格构式支架,搭配混凝土基础,确保承载稳定。

  1. 支架选型与布置
    共设置 3 组支架,分为 1.5m 标准支架和 2×3m 标准支架两类,支架顶部用 H 型钢搭设纵横垫梁,支撑点对应钢梁腹板与隔板位置。
  2. 支架基础施工
    • 1.5m 支架基础:采用 C25 混凝土,高 0.6m、宽 2.5m、长 5m,底部设 0.15m 厚 C15 垫层,地基承载力需满足 120kPa,基础内预埋 300×300×20mm 埋件与支架焊接。
    • 2×3m 支架基础:C25 混凝土高度提升至 0.75m,预埋 600×600×20mm 埋件,确保与支架连接牢固。
  3. 节点构造强化
    支架顶部与垫梁、底部与路基箱均采用满焊连接,并加设 100×100×12mm 加筋板,焊脚尺寸不小于 6mm,提升节点抗剪能力。

(二)钢梁吊装:350t 吊车领衔的精准作业

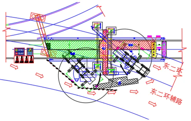
钢箱梁共分为 6 个吊装节段,重量从 24.2t 到 67t 不等,吊装高度 11.8m,采用 350t 汽车吊为主力设备,严格遵循 “由西至东” 的安装顺序(GL1A→GL1B→GL2→GL3A→GL3B→GL4)。

  1. 吊装设备选型
    针对最重 67t 的 GL1A 节段,选用 350t 汽车吊,搭配直径 52mm、公称抗拉强度 1870MPa 的 6×37 纤维芯钢丝绳,以及 S-DW25 型卸扣,确保吊装安全。
  2. 分段吊装工况
    • GL1A/GL1B:单机吊装,吊车站位于主辅路之间,吊装半径 14m,臂长 31m,额定起重量 78t,载荷系数分别为 88% 和 72%。
    • GL2:双机抬吊,两台 350t 吊车分别站位于主辅路,协同完成 92.7t 节段的吊装就位。
    • GL3A/GL3B/GL4:采用单机吊装,利用夜间封路时段快速完成作业。
  3. 吊装测量与微调
    梁段就位后,通过全站仪复核轴线与标高,利用千斤顶、手拉葫芦分别调节垂直、水平位置,偏差控制在规范范围内。相邻梁段中线相对偏差≤5mm,梁顶高程偏差≤±10mm。

(三)现场焊接与补涂装:筑牢结构 “生命线”

焊接质量直接决定钢箱梁的结构安全,现场焊接需严格遵循工艺标准,同时做好防腐涂装。

  1. 焊接工艺要求
    • 焊接环境:风力<5 级、温度≥5℃、湿度≤80%;不满足条件时需预热母材,预热范围为焊缝中心两侧各 100mm。
    • 焊接方法:底板对接采用平位 CO₂气体保护焊,腹板立对接采用立位 CO₂气体保护焊,焊缝均要求全熔透。
    • 缺陷修补:焊缝出现裂纹、气孔等缺陷时,需用碳弧气刨清除缺陷,预热后补焊,同一部位返修不超过两次。
  2. 补涂装工艺
    • 焊缝处理:焊缝两侧 30-50mm 范围用砂轮除锈,确保表面粗糙度>40μm,及时喷涂环氧富锌底漆。
    • 破损修补:针对不同漆膜缺陷,采用打磨、补涂等方式处理,修补区域需与周边涂层重叠≥50mm。
    • 工地面漆:全桥焊接完成后统一喷涂面漆,喷涂前需对表面进行净化处理,确保漆膜附着力与外观质量。

(四)卸载与拆除:平稳过渡,安全收尾

钢箱梁焊接完成并验收合格后,需进行卸载作业,将荷载从临时支架转移至永久支座。

  1. 卸载条件
    • 全桥焊接质量经监理、第三方检测合格,成桥线形测量数据审核通过。
    • 人员设备到位:检测人员 3 名、切割人员 8 名、安全监护 2 名、指挥人员 1 名,配备气割设备、全站仪等工具。
  2. 卸载控制工艺
    遵循 “同步、分级、对称” 原则,从中间向两侧卸载,每次切割支撑高度不大于 30mm,全程跟踪测量线形变化,确保结构平稳受力。
  3. 支架与钢便梁拆除
    卸载完成后,采用 50t 吊车拆除临时支架与钢便梁,拆除前需设置警示区域,专人看护,严格按操作规程作业。

四、交通导改:最小化影响的智慧方案

为减少施工对市民出行的干扰,项目制定了精细化交通导改措施:

  1. 所有需断交的工序均安排在夜间 10 点后进行,缩短封路时间。
  2. 封路区域上游 500m 设置 “前方施工、车辆慢行” 警示牌,下游设置解除标志,安排专人引导车辆绕行辅路。
  3. 临时支架旁设置防撞桶,施工现场采用围挡封闭,夜间开启爆闪灯警示。

结语

石家庄北二环东延钢箱梁施工,是一场对技术、组织、安全的全面考验。通过精准施策攻克施工重难点,严格执行标准化施工工艺,项目将稳步推进建设进程。项目建成通车后,北二环由西向东车辆可快速驶入国道 307 辅道,为市民出行带来更便捷的体验。

关注我,后续为您带来更多工程施工干货!

最新文章

随机文章

基本 文件 流程 错误 SQL 调试
  1. 请求信息 : 2026-03-29 19:49:41 HTTP/2.0 GET : https://460.net.cn/a/470002.html
  2. 运行时间 : 0.082066s [ 吞吐率:12.19req/s ] 内存消耗:4,430.90kb 文件加载:140
  3. 缓存信息 : 0 reads,0 writes
  4. 会话信息 : SESSION_ID=b187f5c87bc943761ffa8a1266a24de5
  1. /yingpanguazai/ssd/ssd1/www/460.net.cn/public/index.php ( 0.79 KB )
  2. /yingpanguazai/ssd/ssd1/www/460.net.cn/vendor/autoload.php ( 0.17 KB )
  3. /yingpanguazai/ssd/ssd1/www/460.net.cn/vendor/composer/autoload_real.php ( 2.49 KB )
  4. /yingpanguazai/ssd/ssd1/www/460.net.cn/vendor/composer/platform_check.php ( 0.90 KB )
  5. /yingpanguazai/ssd/ssd1/www/460.net.cn/vendor/composer/ClassLoader.php ( 14.03 KB )
  6. /yingpanguazai/ssd/ssd1/www/460.net.cn/vendor/composer/autoload_static.php ( 4.90 KB )
  7. /yingpanguazai/ssd/ssd1/www/460.net.cn/vendor/topthink/think-helper/src/helper.php ( 8.34 KB )
  8. /yingpanguazai/ssd/ssd1/www/460.net.cn/vendor/topthink/think-validate/src/helper.php ( 2.19 KB )
  9. /yingpanguazai/ssd/ssd1/www/460.net.cn/vendor/topthink/think-orm/src/helper.php ( 1.47 KB )
  10. /yingpanguazai/ssd/ssd1/www/460.net.cn/vendor/topthink/think-orm/stubs/load_stubs.php ( 0.16 KB )
  11. /yingpanguazai/ssd/ssd1/www/460.net.cn/vendor/topthink/framework/src/think/Exception.php ( 1.69 KB )
  12. /yingpanguazai/ssd/ssd1/www/460.net.cn/vendor/topthink/think-container/src/Facade.php ( 2.71 KB )
  13. /yingpanguazai/ssd/ssd1/www/460.net.cn/vendor/symfony/deprecation-contracts/function.php ( 0.99 KB )
  14. /yingpanguazai/ssd/ssd1/www/460.net.cn/vendor/symfony/polyfill-mbstring/bootstrap.php ( 8.26 KB )
  15. /yingpanguazai/ssd/ssd1/www/460.net.cn/vendor/symfony/polyfill-mbstring/bootstrap80.php ( 9.78 KB )
  16. /yingpanguazai/ssd/ssd1/www/460.net.cn/vendor/symfony/var-dumper/Resources/functions/dump.php ( 1.49 KB )
  17. /yingpanguazai/ssd/ssd1/www/460.net.cn/vendor/topthink/think-dumper/src/helper.php ( 0.18 KB )
  18. /yingpanguazai/ssd/ssd1/www/460.net.cn/vendor/symfony/var-dumper/VarDumper.php ( 4.30 KB )
  19. /yingpanguazai/ssd/ssd1/www/460.net.cn/vendor/topthink/framework/src/think/App.php ( 15.30 KB )
  20. /yingpanguazai/ssd/ssd1/www/460.net.cn/vendor/topthink/think-container/src/Container.php ( 15.76 KB )
  21. /yingpanguazai/ssd/ssd1/www/460.net.cn/vendor/psr/container/src/ContainerInterface.php ( 1.02 KB )
  22. /yingpanguazai/ssd/ssd1/www/460.net.cn/app/provider.php ( 0.19 KB )
  23. /yingpanguazai/ssd/ssd1/www/460.net.cn/vendor/topthink/framework/src/think/Http.php ( 6.04 KB )
  24. /yingpanguazai/ssd/ssd1/www/460.net.cn/vendor/topthink/think-helper/src/helper/Str.php ( 7.29 KB )
  25. /yingpanguazai/ssd/ssd1/www/460.net.cn/vendor/topthink/framework/src/think/Env.php ( 4.68 KB )
  26. /yingpanguazai/ssd/ssd1/www/460.net.cn/app/common.php ( 0.03 KB )
  27. /yingpanguazai/ssd/ssd1/www/460.net.cn/vendor/topthink/framework/src/helper.php ( 18.78 KB )
  28. /yingpanguazai/ssd/ssd1/www/460.net.cn/vendor/topthink/framework/src/think/Config.php ( 5.54 KB )
  29. /yingpanguazai/ssd/ssd1/www/460.net.cn/config/app.php ( 0.95 KB )
  30. /yingpanguazai/ssd/ssd1/www/460.net.cn/config/cache.php ( 0.78 KB )
  31. /yingpanguazai/ssd/ssd1/www/460.net.cn/config/console.php ( 0.23 KB )
  32. /yingpanguazai/ssd/ssd1/www/460.net.cn/config/cookie.php ( 0.56 KB )
  33. /yingpanguazai/ssd/ssd1/www/460.net.cn/config/database.php ( 2.48 KB )
  34. /yingpanguazai/ssd/ssd1/www/460.net.cn/vendor/topthink/framework/src/think/facade/Env.php ( 1.67 KB )
  35. /yingpanguazai/ssd/ssd1/www/460.net.cn/config/filesystem.php ( 0.61 KB )
  36. /yingpanguazai/ssd/ssd1/www/460.net.cn/config/lang.php ( 0.91 KB )
  37. /yingpanguazai/ssd/ssd1/www/460.net.cn/config/log.php ( 1.35 KB )
  38. /yingpanguazai/ssd/ssd1/www/460.net.cn/config/middleware.php ( 0.19 KB )
  39. /yingpanguazai/ssd/ssd1/www/460.net.cn/config/route.php ( 1.89 KB )
  40. /yingpanguazai/ssd/ssd1/www/460.net.cn/config/session.php ( 0.57 KB )
  41. /yingpanguazai/ssd/ssd1/www/460.net.cn/config/trace.php ( 0.34 KB )
  42. /yingpanguazai/ssd/ssd1/www/460.net.cn/config/view.php ( 0.82 KB )
  43. /yingpanguazai/ssd/ssd1/www/460.net.cn/app/event.php ( 0.25 KB )
  44. /yingpanguazai/ssd/ssd1/www/460.net.cn/vendor/topthink/framework/src/think/Event.php ( 7.67 KB )
  45. /yingpanguazai/ssd/ssd1/www/460.net.cn/app/service.php ( 0.13 KB )
  46. /yingpanguazai/ssd/ssd1/www/460.net.cn/app/AppService.php ( 0.26 KB )
  47. /yingpanguazai/ssd/ssd1/www/460.net.cn/vendor/topthink/framework/src/think/Service.php ( 1.64 KB )
  48. /yingpanguazai/ssd/ssd1/www/460.net.cn/vendor/topthink/framework/src/think/Lang.php ( 7.35 KB )
  49. /yingpanguazai/ssd/ssd1/www/460.net.cn/vendor/topthink/framework/src/lang/zh-cn.php ( 13.70 KB )
  50. /yingpanguazai/ssd/ssd1/www/460.net.cn/vendor/topthink/framework/src/think/initializer/Error.php ( 3.31 KB )
  51. /yingpanguazai/ssd/ssd1/www/460.net.cn/vendor/topthink/framework/src/think/initializer/RegisterService.php ( 1.33 KB )
  52. /yingpanguazai/ssd/ssd1/www/460.net.cn/vendor/services.php ( 0.14 KB )
  53. /yingpanguazai/ssd/ssd1/www/460.net.cn/vendor/topthink/framework/src/think/service/PaginatorService.php ( 1.52 KB )
  54. /yingpanguazai/ssd/ssd1/www/460.net.cn/vendor/topthink/framework/src/think/service/ValidateService.php ( 0.99 KB )
  55. /yingpanguazai/ssd/ssd1/www/460.net.cn/vendor/topthink/framework/src/think/service/ModelService.php ( 2.04 KB )
  56. /yingpanguazai/ssd/ssd1/www/460.net.cn/vendor/topthink/think-trace/src/Service.php ( 0.77 KB )
  57. /yingpanguazai/ssd/ssd1/www/460.net.cn/vendor/topthink/framework/src/think/Middleware.php ( 6.72 KB )
  58. /yingpanguazai/ssd/ssd1/www/460.net.cn/vendor/topthink/framework/src/think/initializer/BootService.php ( 0.77 KB )
  59. /yingpanguazai/ssd/ssd1/www/460.net.cn/vendor/topthink/think-orm/src/Paginator.php ( 11.86 KB )
  60. /yingpanguazai/ssd/ssd1/www/460.net.cn/vendor/topthink/think-validate/src/Validate.php ( 63.20 KB )
  61. /yingpanguazai/ssd/ssd1/www/460.net.cn/vendor/topthink/think-orm/src/Model.php ( 23.55 KB )
  62. /yingpanguazai/ssd/ssd1/www/460.net.cn/vendor/topthink/think-orm/src/model/concern/Attribute.php ( 21.05 KB )
  63. /yingpanguazai/ssd/ssd1/www/460.net.cn/vendor/topthink/think-orm/src/model/concern/AutoWriteData.php ( 4.21 KB )
  64. /yingpanguazai/ssd/ssd1/www/460.net.cn/vendor/topthink/think-orm/src/model/concern/Conversion.php ( 6.44 KB )
  65. /yingpanguazai/ssd/ssd1/www/460.net.cn/vendor/topthink/think-orm/src/model/concern/DbConnect.php ( 5.16 KB )
  66. /yingpanguazai/ssd/ssd1/www/460.net.cn/vendor/topthink/think-orm/src/model/concern/ModelEvent.php ( 2.33 KB )
  67. /yingpanguazai/ssd/ssd1/www/460.net.cn/vendor/topthink/think-orm/src/model/concern/RelationShip.php ( 28.29 KB )
  68. /yingpanguazai/ssd/ssd1/www/460.net.cn/vendor/topthink/think-helper/src/contract/Arrayable.php ( 0.09 KB )
  69. /yingpanguazai/ssd/ssd1/www/460.net.cn/vendor/topthink/think-helper/src/contract/Jsonable.php ( 0.13 KB )
  70. /yingpanguazai/ssd/ssd1/www/460.net.cn/vendor/topthink/think-orm/src/model/contract/Modelable.php ( 0.09 KB )
  71. /yingpanguazai/ssd/ssd1/www/460.net.cn/vendor/topthink/framework/src/think/Db.php ( 2.88 KB )
  72. /yingpanguazai/ssd/ssd1/www/460.net.cn/vendor/topthink/think-orm/src/DbManager.php ( 8.52 KB )
  73. /yingpanguazai/ssd/ssd1/www/460.net.cn/vendor/topthink/framework/src/think/Log.php ( 6.28 KB )
  74. /yingpanguazai/ssd/ssd1/www/460.net.cn/vendor/topthink/framework/src/think/Manager.php ( 3.92 KB )
  75. /yingpanguazai/ssd/ssd1/www/460.net.cn/vendor/psr/log/src/LoggerTrait.php ( 2.69 KB )
  76. /yingpanguazai/ssd/ssd1/www/460.net.cn/vendor/psr/log/src/LoggerInterface.php ( 2.71 KB )
  77. /yingpanguazai/ssd/ssd1/www/460.net.cn/vendor/topthink/framework/src/think/Cache.php ( 4.92 KB )
  78. /yingpanguazai/ssd/ssd1/www/460.net.cn/vendor/psr/simple-cache/src/CacheInterface.php ( 4.71 KB )
  79. /yingpanguazai/ssd/ssd1/www/460.net.cn/vendor/topthink/think-helper/src/helper/Arr.php ( 16.63 KB )
  80. /yingpanguazai/ssd/ssd1/www/460.net.cn/vendor/topthink/framework/src/think/cache/driver/File.php ( 7.84 KB )
  81. /yingpanguazai/ssd/ssd1/www/460.net.cn/vendor/topthink/framework/src/think/cache/Driver.php ( 9.03 KB )
  82. /yingpanguazai/ssd/ssd1/www/460.net.cn/vendor/topthink/framework/src/think/contract/CacheHandlerInterface.php ( 1.99 KB )
  83. /yingpanguazai/ssd/ssd1/www/460.net.cn/app/Request.php ( 0.09 KB )
  84. /yingpanguazai/ssd/ssd1/www/460.net.cn/vendor/topthink/framework/src/think/Request.php ( 55.78 KB )
  85. /yingpanguazai/ssd/ssd1/www/460.net.cn/app/middleware.php ( 0.25 KB )
  86. /yingpanguazai/ssd/ssd1/www/460.net.cn/vendor/topthink/framework/src/think/Pipeline.php ( 2.61 KB )
  87. /yingpanguazai/ssd/ssd1/www/460.net.cn/vendor/topthink/think-trace/src/TraceDebug.php ( 3.40 KB )
  88. /yingpanguazai/ssd/ssd1/www/460.net.cn/vendor/topthink/framework/src/think/middleware/SessionInit.php ( 1.94 KB )
  89. /yingpanguazai/ssd/ssd1/www/460.net.cn/vendor/topthink/framework/src/think/Session.php ( 1.80 KB )
  90. /yingpanguazai/ssd/ssd1/www/460.net.cn/vendor/topthink/framework/src/think/session/driver/File.php ( 6.27 KB )
  91. /yingpanguazai/ssd/ssd1/www/460.net.cn/vendor/topthink/framework/src/think/contract/SessionHandlerInterface.php ( 0.87 KB )
  92. /yingpanguazai/ssd/ssd1/www/460.net.cn/vendor/topthink/framework/src/think/session/Store.php ( 7.12 KB )
  93. /yingpanguazai/ssd/ssd1/www/460.net.cn/vendor/topthink/framework/src/think/Route.php ( 23.73 KB )
  94. /yingpanguazai/ssd/ssd1/www/460.net.cn/vendor/topthink/framework/src/think/route/RuleName.php ( 5.75 KB )
  95. /yingpanguazai/ssd/ssd1/www/460.net.cn/vendor/topthink/framework/src/think/route/Domain.php ( 2.53 KB )
  96. /yingpanguazai/ssd/ssd1/www/460.net.cn/vendor/topthink/framework/src/think/route/RuleGroup.php ( 22.43 KB )
  97. /yingpanguazai/ssd/ssd1/www/460.net.cn/vendor/topthink/framework/src/think/route/Rule.php ( 26.95 KB )
  98. /yingpanguazai/ssd/ssd1/www/460.net.cn/vendor/topthink/framework/src/think/route/RuleItem.php ( 9.78 KB )
  99. /yingpanguazai/ssd/ssd1/www/460.net.cn/route/app.php ( 1.72 KB )
  100. /yingpanguazai/ssd/ssd1/www/460.net.cn/vendor/topthink/framework/src/think/facade/Route.php ( 4.70 KB )
  101. /yingpanguazai/ssd/ssd1/www/460.net.cn/vendor/topthink/framework/src/think/route/dispatch/Controller.php ( 4.74 KB )
  102. /yingpanguazai/ssd/ssd1/www/460.net.cn/vendor/topthink/framework/src/think/route/Dispatch.php ( 10.44 KB )
  103. /yingpanguazai/ssd/ssd1/www/460.net.cn/app/controller/Index.php ( 4.81 KB )
  104. /yingpanguazai/ssd/ssd1/www/460.net.cn/app/BaseController.php ( 2.05 KB )
  105. /yingpanguazai/ssd/ssd1/www/460.net.cn/vendor/topthink/think-orm/src/facade/Db.php ( 0.93 KB )
  106. /yingpanguazai/ssd/ssd1/www/460.net.cn/vendor/topthink/think-orm/src/db/connector/Mysql.php ( 5.44 KB )
  107. /yingpanguazai/ssd/ssd1/www/460.net.cn/vendor/topthink/think-orm/src/db/PDOConnection.php ( 52.47 KB )
  108. /yingpanguazai/ssd/ssd1/www/460.net.cn/vendor/topthink/think-orm/src/db/Connection.php ( 8.39 KB )
  109. /yingpanguazai/ssd/ssd1/www/460.net.cn/vendor/topthink/think-orm/src/db/ConnectionInterface.php ( 4.57 KB )
  110. /yingpanguazai/ssd/ssd1/www/460.net.cn/vendor/topthink/think-orm/src/db/builder/Mysql.php ( 16.58 KB )
  111. /yingpanguazai/ssd/ssd1/www/460.net.cn/vendor/topthink/think-orm/src/db/Builder.php ( 24.06 KB )
  112. /yingpanguazai/ssd/ssd1/www/460.net.cn/vendor/topthink/think-orm/src/db/BaseBuilder.php ( 27.50 KB )
  113. /yingpanguazai/ssd/ssd1/www/460.net.cn/vendor/topthink/think-orm/src/db/Query.php ( 15.71 KB )
  114. /yingpanguazai/ssd/ssd1/www/460.net.cn/vendor/topthink/think-orm/src/db/BaseQuery.php ( 45.13 KB )
  115. /yingpanguazai/ssd/ssd1/www/460.net.cn/vendor/topthink/think-orm/src/db/concern/TimeFieldQuery.php ( 7.43 KB )
  116. /yingpanguazai/ssd/ssd1/www/460.net.cn/vendor/topthink/think-orm/src/db/concern/AggregateQuery.php ( 3.26 KB )
  117. /yingpanguazai/ssd/ssd1/www/460.net.cn/vendor/topthink/think-orm/src/db/concern/ModelRelationQuery.php ( 20.07 KB )
  118. /yingpanguazai/ssd/ssd1/www/460.net.cn/vendor/topthink/think-orm/src/db/concern/ParamsBind.php ( 3.66 KB )
  119. /yingpanguazai/ssd/ssd1/www/460.net.cn/vendor/topthink/think-orm/src/db/concern/ResultOperation.php ( 7.01 KB )
  120. /yingpanguazai/ssd/ssd1/www/460.net.cn/vendor/topthink/think-orm/src/db/concern/WhereQuery.php ( 19.37 KB )
  121. /yingpanguazai/ssd/ssd1/www/460.net.cn/vendor/topthink/think-orm/src/db/concern/JoinAndViewQuery.php ( 7.11 KB )
  122. /yingpanguazai/ssd/ssd1/www/460.net.cn/vendor/topthink/think-orm/src/db/concern/TableFieldInfo.php ( 2.63 KB )
  123. /yingpanguazai/ssd/ssd1/www/460.net.cn/vendor/topthink/think-orm/src/db/concern/Transaction.php ( 2.77 KB )
  124. /yingpanguazai/ssd/ssd1/www/460.net.cn/vendor/topthink/framework/src/think/log/driver/File.php ( 5.96 KB )
  125. /yingpanguazai/ssd/ssd1/www/460.net.cn/vendor/topthink/framework/src/think/contract/LogHandlerInterface.php ( 0.86 KB )
  126. /yingpanguazai/ssd/ssd1/www/460.net.cn/vendor/topthink/framework/src/think/log/Channel.php ( 3.89 KB )
  127. /yingpanguazai/ssd/ssd1/www/460.net.cn/vendor/topthink/framework/src/think/event/LogRecord.php ( 1.02 KB )
  128. /yingpanguazai/ssd/ssd1/www/460.net.cn/vendor/topthink/think-helper/src/Collection.php ( 16.47 KB )
  129. /yingpanguazai/ssd/ssd1/www/460.net.cn/vendor/topthink/framework/src/think/facade/View.php ( 1.70 KB )
  130. /yingpanguazai/ssd/ssd1/www/460.net.cn/vendor/topthink/framework/src/think/View.php ( 4.39 KB )
  131. /yingpanguazai/ssd/ssd1/www/460.net.cn/vendor/topthink/framework/src/think/Response.php ( 8.81 KB )
  132. /yingpanguazai/ssd/ssd1/www/460.net.cn/vendor/topthink/framework/src/think/response/View.php ( 3.29 KB )
  133. /yingpanguazai/ssd/ssd1/www/460.net.cn/vendor/topthink/framework/src/think/Cookie.php ( 6.06 KB )
  134. /yingpanguazai/ssd/ssd1/www/460.net.cn/vendor/topthink/think-view/src/Think.php ( 8.38 KB )
  135. /yingpanguazai/ssd/ssd1/www/460.net.cn/vendor/topthink/framework/src/think/contract/TemplateHandlerInterface.php ( 1.60 KB )
  136. /yingpanguazai/ssd/ssd1/www/460.net.cn/vendor/topthink/think-template/src/Template.php ( 46.61 KB )
  137. /yingpanguazai/ssd/ssd1/www/460.net.cn/vendor/topthink/think-template/src/template/driver/File.php ( 2.41 KB )
  138. /yingpanguazai/ssd/ssd1/www/460.net.cn/vendor/topthink/think-template/src/template/contract/DriverInterface.php ( 0.86 KB )
  139. /yingpanguazai/ssd/ssd1/www/460.net.cn/runtime/temp/ba54d6633e0eed0ab3340e5f5fbe5cd0.php ( 11.97 KB )
  140. /yingpanguazai/ssd/ssd1/www/460.net.cn/vendor/topthink/think-trace/src/Html.php ( 4.42 KB )
  1. CONNECT:[ UseTime:0.000402s ] mysql:host=127.0.0.1;port=3306;dbname=nowww460;charset=utf8mb4
  2. SHOW FULL COLUMNS FROM `fenlei` [ RunTime:0.000852s ]
  3. SELECT * FROM `fenlei` WHERE `fid` = 0 [ RunTime:0.000344s ]
  4. SELECT * FROM `fenlei` WHERE `fid` = 63 [ RunTime:0.000282s ]
  5. SHOW FULL COLUMNS FROM `set` [ RunTime:0.000493s ]
  6. SELECT * FROM `set` [ RunTime:0.000197s ]
  7. SHOW FULL COLUMNS FROM `article` [ RunTime:0.000560s ]
  8. SELECT * FROM `article` WHERE `id` = 470002 LIMIT 1 [ RunTime:0.001038s ]
  9. UPDATE `article` SET `lasttime` = 1774784981 WHERE `id` = 470002 [ RunTime:0.005516s ]
  10. SELECT * FROM `fenlei` WHERE `id` = 65 LIMIT 1 [ RunTime:0.000264s ]
  11. SELECT * FROM `article` WHERE `id` < 470002 ORDER BY `id` DESC LIMIT 1 [ RunTime:0.000378s ]
  12. SELECT * FROM `article` WHERE `id` > 470002 ORDER BY `id` ASC LIMIT 1 [ RunTime:0.000449s ]
  13. SELECT * FROM `article` WHERE `id` < 470002 ORDER BY `id` DESC LIMIT 10 [ RunTime:0.002050s ]
  14. SELECT * FROM `article` WHERE `id` < 470002 ORDER BY `id` DESC LIMIT 10,10 [ RunTime:0.000643s ]
  15. SELECT * FROM `article` WHERE `id` < 470002 ORDER BY `id` DESC LIMIT 20,10 [ RunTime:0.000913s ]
0.083652s